NXP Temperatursensor KTY81-210 KTY81-110 PTC
NXP Temperatursensor KTY81-210 KTY81-110 PTC
NXP Temperatursensor KTY81-210 KTY81-110 PTC
    NXP Temperatursensor KTY81-210 KTY81-110 PTC
    NXP Temperatursensor KTY81-210 KTY81-110 PTC
    NXP Temperatursensor KTY81-210 KTY81-110 PTC

    KTY Temperatursensor ( 81-210 , 81-110 )
    ME-KTY81210

    KTY Sensor, TMax 125 °C, KTY 81-210, KTY 81-110
    Sensor
    • KTY81-110
    • KTY81-210
     

    KTY Sensor

    KTY81-210, KTY81-110 und weitere KTY-Temperatursensoren bieten eine zuverlässige, kostengünstige und einfach zu integrierende Lösung zur Temperaturmessung in unterschiedlichsten Anwendungen. Trotz der Produktionseinstellung durch den ursprünglichen Hersteller (NXP) können wir dank unseres großen Lagerbestands weiterhin langfristig KTY Sensoren und Fühler mit KTY Messelementen liefern.

    TemperatursensorKTY81-210, KTY81-110
    HerstellerNXP
    Widerstand R25KTY81-210: 2 kOhm | KTY81-110: 1 kOhm
    Temperaturbereich-55 °C ... +150°C
    Toleranz±1
    MontageTHT
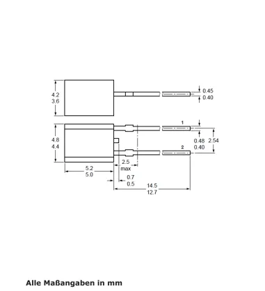
    Gehäuse2-Pin TO-92

    Tmonit
    Birkenstraße 69
    10559 Berlin
    Germany

    Technische Fragen zum Produkt.

    Angesehene Artikel

    Produkt wurde zur Merkliste hinzugefügt